您好,欢迎访问东明轴承商城!
登录
注册
我的订单
会员中心
开票信息维护
收货地址管理
企业会员认证
修改资料
修改密码
商品
知识
文章
搜索
0
合计
¥
0.00
商品分类
产品分类
圆锥滚子轴承
圆柱滚子轴承
角接触球轴承
深沟球轴承
调心球轴承
调心滚子轴承
推力球轴承
推力滚子轴承
滚针轴承
首页
找货询价
所有产品
轴承知识
企业品牌
联系我们
积分商城
0917-3226969
18992727719
0917-3226969
+86-
18992727719
当前位置:
东明轴承商城
/
轴承知识
/
轴承资料
/
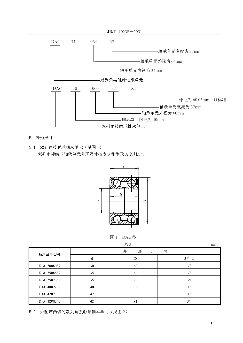
JB/T 10238-2001 汽车轮毂轴承单元
2021-03-18
来源:
华轴网
分类:
轴承资料
手机查看
分享
买轴承,上东明商城 网址:www.dmzcsale.com
JB/T
10238-2001
汽车轮毂轴承单元
上一篇
JB/T 10239-2001 滚动轴承 深沟球轴承卷边防尘盖技术
下一篇
电机固定端轴承和浮动端轴承的选择和匹配
相关推荐
JB/T 10239-2001 滚动轴承 深沟球轴承卷边防尘盖技术
轴承知识
润滑与维护
安装与拆卸
生产加工
轴承材料
轴承类型
轴承数据
轴承资料
轴承配套
您好,我是您的专属顾问
有什么问题可以随时点击咨询
点我咨询
热门标签
轴承
发票
会员
支付
签收
配送
退款
退换货
购买
介绍
后缀
6313
办公
61908-2Z
调心滚子
联系销售
很高兴为您服务
尊敬的客户您好,欢迎您来到东明轴承商城,成为我们的用户。
开始售前咨询
在线联系售前顾问,一对一解答
QQ咨询
微信咨询
售后服务
联系微信客服
致电:18992727719
请添加我的微信
为您提供1V1产品咨询,解决方案定制服务
企业微信
联系我们
售前电话
0917-3226969
技术服务
18992727719
找货询价
提出您的需求,为您提供定制化服务
请添加微信公众号
扫码登录,业务提醒
售后服务,优惠活动
关注公众号